DR1205A直流调速器使用说明书
一、产品特性
ØDR1205A为MCU智能隔离PWM模块型直流电机驱动器,适合0.5---1KW/90V--180V直流电机的驱动。
ØDR1205A具有0-±5V/0-±10V隔离模拟量及最大,最小速度调节、扭矩调节、电流反馈、延时启动、远程启动、正反转控制等功能。
Ø具有隔离5V电源输出,隔离故障信号等功能。
Ø具有电压电流双数字PID调节,控制稳定,体积小,发热量小,噪音低等特性。
二、注意事项
Ø确定输入交流电源电压范围为90—270V 50/60Hz。
Ø确定输出最高电压不超过电机额定电压。
Ø确定各调整电位器已调整到合适位置(详见调节说明)。
Ø确定接线无误(详见接线说明)。
三、接线说明

ØL1和L2为交流电源输入端。
ØA+和A-为电机电枢电压输出端。
Ø隔离侧+10, AV, -10为输出控制电位器输入端,并控制电机正反转。
Ø隔离侧GND和S1为输出停止控制端(GND,S1断开时输出为零)。
ØLED1(绿色)为工作指示灯,GND和S1闭合正常工作时常亮,GND和S1断开工作时闪烁。
ØLED2(红色)为故障指示灯,正常工作时,灯不亮。电流保护后,指示灯常亮,GND和S1断开再闭合复位,灯不亮。
ØF接口为报警输出端口(三极管OC输出,板内串连1颗200Ω电阻),可以接LED或蜂鸣器,或客户上位机。
四、电气参数
输入电压 (VAC) 50/60Hz | 电机 电压 (VDC) | 无外加散热器 | 外加足够大面积散热器 |
最大AC电流 (RMS Amps) | 最大DC电流 (AVG Amps) | 最大功率 (KW) | 最大AC电流 (RMS Amps) | 最大DC电流 (AVG Amps) | 最大功率 (KW) |
90--130 | 0--90 |
10 |
5 | 0.4 |
15 |
10 | 0.75 |
185--270 | 0--180 | 0.75 | 1.5 |
转速比-------------------------------------------------50:1 限流范围(%额定电流)------------ -----------------0-150
负载调整率-电流反馈(空一满载) (%转速)------1 加速时间(空一满载)(秒)--------------------------0.5—15
最低转速控制范围(%满载时最大转速)----0-30 最高转速控制范围(%满载时最大转速)----- 50-110
电压调整率-电流反馈(满载)(%转速)----------1/2 最高环境温度(满载)(℃)---------------------------------45
控制线性度(%)---------------------------------------2 最大瞬间启动电流(A)--------------电流设定值3倍
电流反馈深度(V)---------------------------------0-24
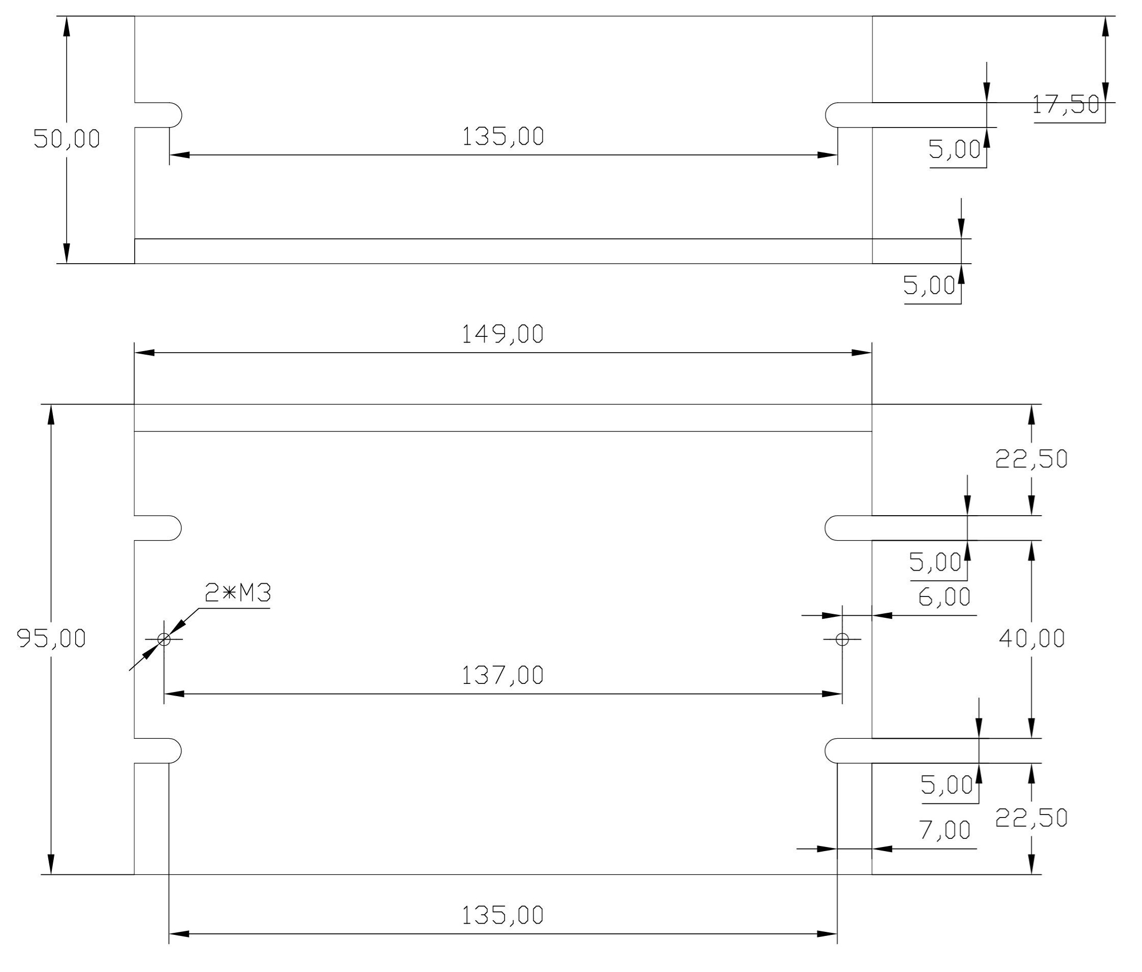
五、安装尺寸图(mm)

六、接线端子说明:
(一)当输入电压为230VAC时,应在L2进线上加相应保险丝,如果输入115VAC则不需要。
(二)控制信号可通过外接10K的电位器实现正反转、正转和反转,中间抽头必须对应接AV;

|
正反转接法 | 正转接法 | 反转接法 | 模拟信号控制 |
(三)控制信号也可为模拟电压(0-±5V/0-±10V),应从AV和GND输入。
七、调整说明
**所有调整电位器在逆时针旋转到底时为最小值**
● 最高转速调整(MAX)
当要求电机的最高转速为某一特定转速时,调整该电位器便最高转速符合控制要求。可调范围为额定转速的50%-110%。
● 加速时间调整(ACC)
调整该电位器可改变电机从静止到全速的加速时间。可调范围为0.5--15秒。
● 电流限定调整(CL)
该电位器可对输出电流的最大值进行调整,1.0KW输出时可调范围为电机额定电流的0-150%。
此功能既可作为电机的过载保护,也可作为电机的扭矩调整。
● 电流反馈调整(IR)
当线路上负载变化较小时,可将该电位器调至最小值。
当要求线路上负载变化较大时保持转速变化小于1%,可按以下步骤调整该电位器:
1. 在线路空载时,测出电机此时转速。
2. 把线路调至满载,此时电机转速下降。
3. 逆时针调整该电位器,使电机转速恢复至空载转速。
八、进线保险丝选择表(F)
90VDC 电机功率(W) | 50 | 100 | 187 | 250 | 375 | 560 | 750 |
180VDC 电机功率(W) | 100 | 200 | 375 | 560 | 750 | 1120 | 1500 |
F(A) | 1.5 | 3 | 5 | 8 | 10 | 15 | 15 |
九、故障分析
(一) 电机不转
1.保险丝熔断/换上仍熔断。 2.保险丝正常。
●整流模块击穿。 ●线路断路或接触不良.
●功率管损坏 ●控制集成电路损坏.
●电机线圈短路。
●电机负载过大。
(二) 电机工作不正常
Ø电流反馈电位器设置不当。
Ø元件性能变化或损坏。